

发表日期:2021-12-06 13:41文章编辑:国初科技浏览次数: 标签:
电力节能环保服务平台12月3日讯:摘要:介绍了正渗透技术的基本原理,对膜材料性能的研究以及正渗透技术在电厂水处理中的应用现状进行了综述;列举了目前常见的商业正渗透膜;分析了聚酰胺薄膜复合膜的研究进展,包括碳纳米管、石墨烯、有机骨架、纳米银、纳米纤维的改性以及新型膜的制备;简述了国内外电厂的正渗透技术应用案例。正渗透技术在火力发电厂废水处理中的实际应用结果表明了其在盐分复杂的脱硫废水处理中应用的可行性,从处理效果和经济效益来看,正渗透技术在脱硫废水预处理中具有较大优势,是未来很有前景的电厂零排放水处理技术之一。
有机和无机污染物对水体的污染是一个引起世界各国广泛关注的重大问题[1],去除水中的污染物需要强大而有效的去污技术,现有的水和废水处理物理和化学技术多种多样,如重力分离、膜过滤技术、气浮、吸附法等。这些技术可以去除很大比例的污染物,但它们有一些固有的局限性,如分离或去除率低、污垢、高能耗、可重复使用和过滤介质的可回收性[2]。膜技术是公认的最先进的废水和水处理技术,在该领域有着悠久的历史且备受关注[3]。
近年来,正渗透技术(forward osmosis,FO)作为一种具有竞争力的膜技术在废水处理中脱颖而出,与现有的膜技术相比具有许多优势,如低功耗、低污染和适用范围广等[4]。此外,FO 过程包括浓缩低渗透压进料溶液和浓缩汲取液的能力[5],使得 FO 工艺成为一种潜在的技术,用于处理广泛的水和废水,包括海水淡化、电厂水零排放等领域。
正渗透技术
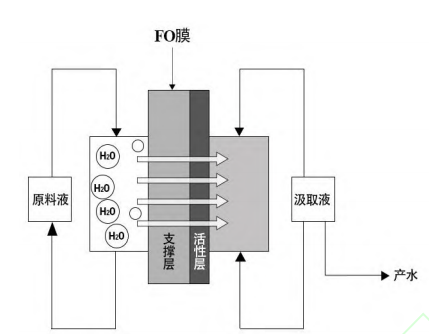
正渗透过程是以汲取液(draw solution,DS)和原料液(feed solution,FS)间的渗透压差为驱动力,使水由高水化学势的原水侧通过选择透过性膜自动扩散至低水化学势的汲取液侧的过程,此过程不需要外加压力和能量。正渗透原理如图 1 所示,FO 膜两侧分别为原料液和汲取液,在 FS 液侧,溶液浓度相对较低,渗透压相对较小,而在 DS 液侧,溶液盐浓度较高,渗透压相对较大。由于自然渗透压差,会使 H2O分子高水化学势的 FS 侧通过选择透过性膜自动扩散至低水化学势的 DS 侧,从而使污染物截留下来,而后通过浓缩的方法将净水与盐分分离,从而实现了的水净化。其中正渗透膜一般由超薄活性层和多孔支撑层组成,汲取液多选择挥发性化合物、无机溶质、有机溶质和高分子聚合物/合成材料等易于浓缩回收的溶质。正渗透膜决定了原料液杂质分子的截留率,汲取液决定了产水效率,因此,正渗透膜与汲取液的开发是正渗透技术的关键。

正渗透原理示意图
若正渗透应用于电厂水的高效处理至少需满足以下几个方面:合适的正渗透膜材料,要保证只允许水分子通过而其他污染物高效截留的选择性渗透膜;合适的汲取液,要可以提供高的渗透压,宜分离且可循环利用等;对已稀释汲取液的再浓缩。
结语
正渗透膜技术由于低能耗、低污染且适用范围广等优点,在很多工业领域都有应用,但是存在内浓差极化等问题,会使实际水通量减小,因此改善膜结构、提升膜性能一直是亟待解决的问题。
(1)膜材料一直以来都是正渗透技术的关键,也是研究的重点和难点,膜材料的好坏对于水处理的效果有着很大的影响。TFC 的改性是目前研究的主要方向,其中碳纳米管、石墨烯、有机骨架、纳米纤维的优化改性是重中之重,大量的研究成果正朝着商业化的目标推进。
(2)国外有一些正渗透技术在电厂水处理的应用案例,国内目前只有长兴电厂将其成功应用在了脱硫废水处理中,从处理效果和经济效益上看,正渗透技术具有较大优势。正渗透技术应当更好地和其他成熟技术耦合,降低成本,尽早实现规模化,因此可看出其是未来很有前景的电厂零排放水处理技术之一。
详情见:《现代化工》